
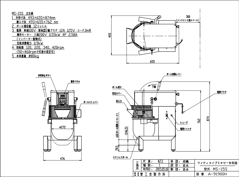
型式:MS-15S
外形尺寸:W493×D655×H874mm
电源:单相100V 接地型2 极插头
额定消耗功率:0.9kW
转速:120,220,340,420rpm
(出货前可任意设定转速在50~460rpm之间)
球容量:12L 本体重量:约80kg
型式:MS-15S(附选项架台)
外形寸法:W497×D655×H1371mm
电源:单相100V 接地型2 极插头
额定消费电功率:0.9kW
转速:120,220,340,420rpm
(出货前可任意设定转速为50~460rpm)
球容量:12L 本体重量:约80kg(架台 约13kg)