产品中心
首页 > 产品中心 > 高速切割混合混合机

丰富的产品阵容
标准型(S型)和豪华型(D型)的小型机种,可以在餐厅或面包店等店铺内使用,也可以用于大量生产或工厂用的机种。此外,由于所有机种均由本公司自行设计和制造,因此可以根据客户的需求定制特殊机种。
V…真空脱泡
通过使用真空泵,可以将球容器内抽成真空进行加工,从而去除材料内的气泡,防止新的气泡产生和劣化。
J…夹克
球容器采用双层结构,通过在夹套内通入冷水、温水或蒸汽,以创造最佳条件。
……逆变器
为了最大限度地发挥切刀式混合机的性能,根据材料的粘度和乳化目的设置适当的转速非常重要。通过将电机的输出提升至两倍并采用变频驱动,我们实现了更加顺畅的运行。
此外,通过将低速和高速旋转设置为适当的转速,可以抑制不必要的电力消耗、机械磨损和材料的劣化。
标准类型
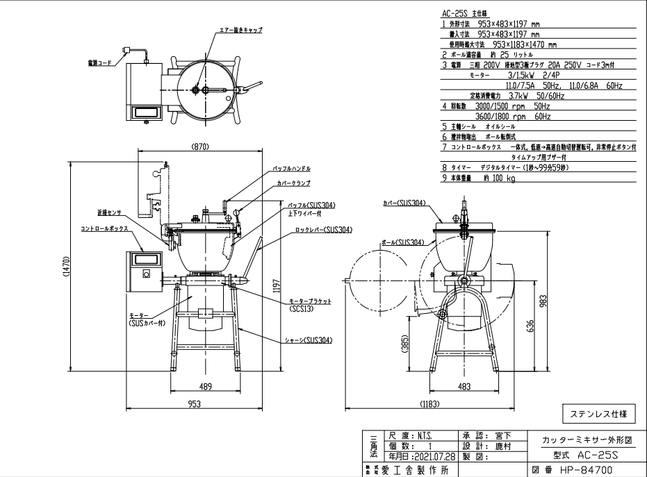
AC-25S
AC-50S
AC-100S
AC-150S
AC-200SJI

D 类型搭载了高功率电机的豪华型。
AC-15D
AC-25D
AC-50D
AC-100DJI
AC-200DJI

特注机种
由于我们公司自行设计和制造,因此可以根据客户的需求定制特殊机型。
例如,可以制作速度可任意更改的变频器规格。除了展示的机型,我们还可以制作其他机型。
AC-15DVJF
AC-50(架台付)
